文章目录[隐藏]
神奇的6至8千瓦单边带发射机
余宁生/ba4ii
七十年代初,根据中印、中苏边境防御指挥通信的要求,总部配发给南疆军区一台6至8千瓦单边带发射机。南疆军区在通信站集中发信台安装这部大功率单边带发射设备,这台设备当年显得非常高级。高大、乳白色的机箱很阔气(过去军用大功率发射机都是灰色、黑色),仪表和旋钮和老式500瓦、千瓦机相比,都显得非常现代。当设备安装到位后,开机加电前请了生产厂家天津764厂的工程师来检查、调试,我有幸配属厂方参加了这项工作。

FU-101水冷陶瓷功率管

这台设备不简单,使用FU-101陶瓷高频电子管为功率管。我当时感到惊讶的是,该发射机散热居然使用的是汽车的散热水系,太牛了!散热水箱、水泵与风扇安装在室外,由进出水管连接。而且水管直接接在FU-101电子管上。加电前,接好了笼型DP天线,打开了水泵及室外散热风扇电源,置好发射频率。我在一旁观察,厂家工程师先对机器前前后后做了一凡查看,然后打开发射机的电源开关,等了一会又打开高压开关,妈呀!高压5000伏,太吓人了!测了一下灯丝电压,不高。但测灯丝电流时,又惊了我一下,居然有70多安培,怪不得给灯丝供电的电线那么粗!工程师说,在按键发射时,电流可以到120安培,我当时就惊讶捂住了嘴。
神奇的一刻到来了,只见764厂工程师按下了机箱面板上的测试电键,只听到机箱内哒哒哒的响,功率表和驻波表针在不断摆动,输出调整与强放调整两个手动旋钮也呜呜的在自动左右旋转,这太神奇了!很短暂的时间后,驻波表指示最低,功率表指示到了8千瓦的位置。工程师说,一切正常。此时我从机箱玻璃观察窗中,看到发射管FU-101白色陶瓷部分烧的微红,虽然有流水降温。我当即问这个工程师,他说是正常现象。一压电键,管子内的水就会开锅。他又改了几个频率继续测试,都是在很短的时间内都自动调整完毕。他说,从目前的情况看,设备安装正常,运行正常。

过去的大功率发射机,都是手动调整输出旋钮和强放旋钮。我从没有见过会自动调整功率和驻波比的机器,这简直太高级了,当年我对764厂的工程师崇拜极了。到现在,近50年过去了,那两个会自动旋转的手动旋钮在转动,两个仪表在摆动的画面,还经常出现在我的脑海里。我当时真的不知道这个设备为什么可以自动调节,觉得这些造机器的人们太聪明了!我抽空悄悄问764厂的专家们,这机器怎么实现自动调节的,他们告诉我,用很多晶体管开关阵列,组成一个计算系统,然后通过晶体管自动检测,电路输出高低电平,再由继电器控制手动旋钮上的直流电机正反旋转,就能实施有效控制了,我当时好像听得似懂非懂,也不好细问。就觉得这机器很贵,因为那是的二极管、三极管价格不菲!我问,如果天线自动调节系统失效了怎么办,厂家技术人员告诉我:其实,还是人工手动调节最好。自动控制是我厂的专利,试验性的,你们可以使用,也可以关闭。发射机上有个自动、手动开关。平时放在手动就和其他发射机一样了。

现在我当然知道一点了,天线调节器的工作原理简单说是,经过检测,如果天线系统是感性就加点电容,如果是容性就加点电感,目的是使整个天线系统准确谐振在工作频率上,当然具体说就复杂多了。一个健全的自动天线调节器需要有:功率检测电路;驻波检测电路;相位检测电路以及阻抗检测电路。比如相位检测电路就可以使用鉴相器电路。天线的电容或电感的大小决定了相位差,鉴相器就是测相位差的。两个相同的频率通过平衡混频器,差频就是一个直流分量,把和频以及谐波产生的和差频都滤除掉,则这个直流分量是一个相位差的余弦函数,取反余弦得到相位差(只能是0~180度,不过对天调来说只需要180度的测量),这和乘法器鉴相原理是一样的。利用这个直流分量来控制电容量或电感量的改变,就能实现自动化控制。当然现在可以用一片小小的单片机,写一段小程序就能实施有效调节和自动控制。另外,所有大功率功放都一样,只要使天线回路谐振了,功放管反而负荷最轻,需要输入的能量也最小,且天线回路电流最大,当然电磁波辐射也最强了。一旦天线系统失谐,不但发射效率低,能源损耗大,还会伤及强放管。但是在50年前,那时的计算机技术、单片机技术还没有普及,天津764厂的技术人员们居然可以做到大功率自动化天线调节,也充分说明那时我国的工程技术人员也相当的牛!

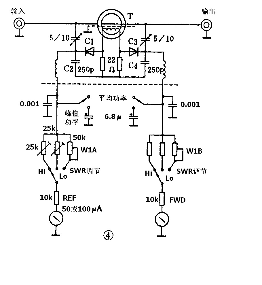
6至8千瓦单边带电台电路原理图

鉴频器工作原理

天线驻波检测电路图


我自己DIY的小功率天线调节器


天津国营764厂历年通信类的产品

我们集中台的部分战友在喀什的清真寺合影


Comments 1 条评论
膜拜余老!