此装置不需另加工作电源。只要接入音频信号(接在功放的喇 叭输出接口两端),播放音乐时,即可貌似电子管6E1 “猫眼”一样,随音乐的轻重缓急,闪烁变换。装置由驱动电路、、发光二极管、支架板、反光板、遮光柱、遮光线条等组成。
介绍如下:
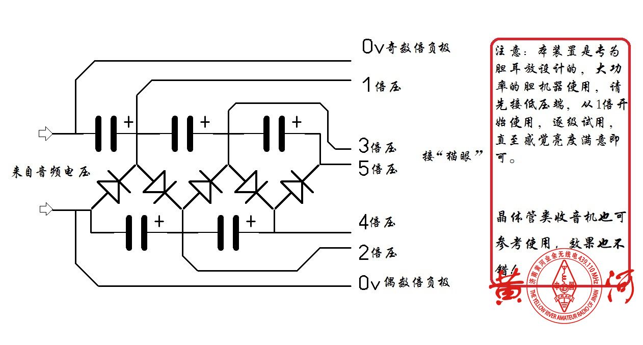
5只电解电容与5支晶体二极管 组成5倍压整流电路(图一);当电路输入端接入音频信号(耳机或者喇叭信号),经电路倍压整流转换成放大后的直流电压,该电压可以直接驱动(点亮)发光二极管。由于音频信号是强弱不断变化的,输出的驱动电压也随之高低变换,发光二极管的发光强度也随之强弱变换,形成“闪烁”状态。在发光二极管的灯珠两侧和正中间,采用局部遮挡,使得光束射到反光板上出现亮暗对比的扇形面,实现了类似电子管6E1 “猫眼”的效果。当然,这个只是随音乐的强弱“闪烁”,并非完全与6E1 的扇形面会随音乐的强弱宽窄变化。装置的驱动电路详见图一:结构详见图二: 驱动板见图三;图四是最初自制的管芯;图五、图六是利用废弃的6E1管子做的管芯;图七是利用废6E1的管芯效果图;图八是电子管6E1猫眼效果图。
图一、装置专用驱动电路
图二、结构示意
图三、使用中的驱动电路板:
图四、初次自制的“管芯”
图五、“管芯”顶面
图六、“管芯”底面:
图七、利用废6E1的管芯制作的“猫眼”(详见文末备注)
图八、电子管6E1猫眼效果图
后记:
本人喜好自己组装电子管放大器,曾经自制过电子管收音机,也配置过6E1\6E2\6E5 等“猫眼”,不过,那是50年前的往事了。近几年来,电子管6E1\6E5 等因为外观独特、作为收音机的调谐指示灯会显得大气、美观,很受业内人士的青睐,由于社会上存有量很少,其价格也被人为的炒得很高,让人们望胆心叹。一直以来,玩功放的朋友都喜欢用指针式电平表来作为音频输出的显示,也有用发光二极管来做胆机音频输出显示的。由于用猫眼作为功放的音频指示,需要灯丝电压和屏级高电压,多数都是胆机爱好者才使用,主要是电源的取得比较方便。玩石机的朋友,使用“猫眼”,需要外加电源,比较麻烦些。
青睐“猫眼”的胆机爱好者都知道,现今的6E1 价格炒得高到百元以上,进口的同类管子更是天价,让人望胆心叹!本人这个仿制的猫眼 ,才几元钱就搞定,虽然不能与天价管子比较,可自己玩玩还是比较满意的。
备注:
1、本装置的“猫眼”光源,务必使用灯珠顶部带聚光镜的高亮度发光二极管,颜色自定;
2、文中提到的遮光柱用直径1毫米的塑胶线,遮光线条,可用黑色油漆在 灯珠上方中心位置划线即可,如果不用遮光线条也可,只是少两处阴影而已;
3、电路中整流二极管使用普通型即可,电解电容几微法到几百微法均可,耐压没有特殊要求;
4、有条件的朋友,可找一只废6E1类的电子管,小心去掉管芯中的“灯丝”、“栅极”、“阴极”等电极,保留支架、定位板、挡板和荧光屏(反光板),可参考文中附图。
5、本装置也适用于晶体管类放大器(直接收音机、发报机的喇叭两端)效果也错!
成果分享:
下面视频片段是仿制成功后的使用实验:
https://v.youku.com/v_show/id_XMjY5NTkwODIzNg==.html?
https://v.youku.com/v_show/id_XMjcwMDA1NzA3Mg==.html?
方形猫眼:
https://v.youku.com/v_show/id_XNTgyMDQ4OTE4MA==.html
https://v.youku.com/v_show/id_XNTgyMDEzMDE3Ng==.html









Comments NOTHING